绿巨人视频官网,绿巨人成人官网,绿巨人污APP,绿巨人视频官网在线观看

當前位置:網站首頁 > 新聞資訊 > 行業新聞

一種耐腐蝕的绿巨人成人官网的製作方法

作者:  來源:  更新時間:2025-04-15  點擊次數:
  本實用新型屬於球閥領域,尤其涉及一種耐腐蝕的绿巨人成人官网。
绿巨人成人官网結構示意圖

  背景技術:

  绿巨人成人官网是對閥體內介質所能達到的地方全部采用氟襯裏工藝,內襯材料一般采用fep(f46)、pctfe(f3)、fpa等氟塑料,可以適用於各種濃度的硫酸、鹽酸、氫氟酸、王水和各種有機酸、強酸、強氧化劑及其它腐蝕性顆粒、粉末等管路。

  傳統的氟球閥一般都是用於帶有腐蝕性溶液的管道裏進行工作,氟球裏麵的密封結構長期處於腐蝕性的溶液中,導致密封塊會出現被腐蝕的情況,密封結構一旦發生腐蝕的情況氟球閥會發生泄漏的情況,導致現有的氟球閥耐腐蝕性不強。

  技術實現要素:

  本實用新型針對上述的問題,提供了一種耐腐蝕的绿巨人成人官网。

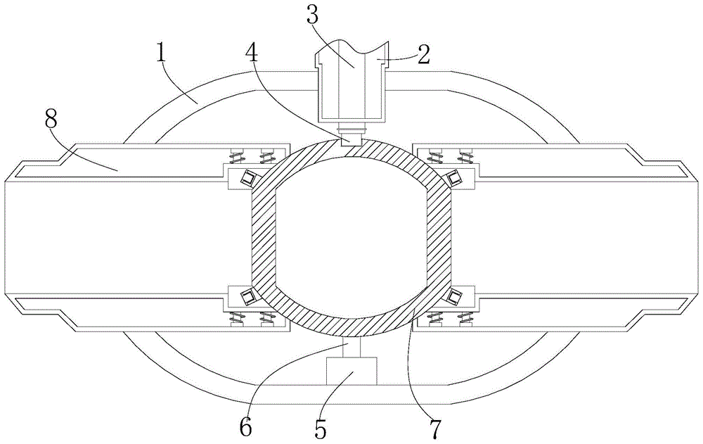
  為了達到上述目的,本實用新型采用的技術方案為,本實用新型提供一種耐腐蝕的绿巨人成人官网,包括閥殼,所述閥殼的頂部穿插設置有護杆,所述護杆的內部穿插設置有轉杆,所述轉杆的底部焊接有矩形塊,所述閥殼內壁的底部焊接有軸承,所述軸承的內部穿插設置有支撐杆,所述支撐杆的頂部貼設有開關裝置,所述閥殼的兩側均穿插設置有密封機構。

  所述開關裝置包括閥球,所述閥球的左上角焊接有輪杆,所述輪杆的頂部焊接有旋轉輪,所述閥球的頂部開設有連接槽。

  所述密封機構包括連接管,所述連接管的底部貼設有密封塊,所述密封塊內壁的底部固定安裝有套筒,所述套筒的內部穿插設置有頂杆,所述頂杆上纏繞設置有彈簧,所述頂杆的頂部貼設有卡緊塊,所述卡緊塊上開設有輪槽。

  作為優選,所述述輪杆的數目為四個,四個輪杆相對分布在閥球的四角,四個輪杆相背的一側均焊接有旋轉輪,使閥球的的四角都被密封,使裝置的密封性更好。

  作為優選,所述連接管的兩側均貼設有密封塊,兩個密封塊相對分布在連接管的兩側。

  作為優選,兩個密封塊相對的一側均開設有與卡緊塊相匹配的裝置槽。

  作為優選,兩個連接管相對一端的兩側均貼設有密封塊。

  作為優選,所述閥球的上開設有與連接管相匹配的連接孔,使閥體的內部能流通。

  與現有技術相比,本實用新型的優點和積極效果在於:

  1、本實用新型,使旋轉輪離開卡緊塊的時候,輪杆離開輪槽,使彈簧帶動卡緊塊進行複位,使頂杆在套筒的內部進行拉伸,卡緊塊腐蝕的時候,輪槽同時被腐蝕,在關閉的時候,驅動裝置帶動轉杆在護杆的內部進行旋轉,轉杆帶動矩形塊進行旋轉,矩形塊帶動開關裝置進行旋轉,旋轉矩形塊通過連接槽帶動閥球進行旋轉,閥球通過輪杆帶動旋轉輪旋轉,因為輪槽被腐蝕,輪槽變大,旋轉輪呈傾斜狀,所以旋轉輪旋轉進輪槽的內部,使卡緊塊向下,彈簧壓縮,使旋轉輪的頂部與輪槽的內壁卡緊,使裝置耐腐蝕,防止裝置泄漏。

  2、本實用新型,輪杆的數目為四個,四個輪杆相對分布在閥球的四角,四個輪杆相背的一側均焊接有旋轉輪,使閥球四個拐角處均安裝有旋轉輪,使閥球的密封更好,使旋轉輪進行旋轉,使旋轉輪離開卡緊塊,使閥球的密封性更好。

  附圖說明

  為了更清楚地說明本實用新型實施例的技術方案,下麵將對實施例描述中所需要使用的附圖作一簡單地介紹,顯而易見地,下麵描述中的附圖是本實用新型的一些實施例,對於本領域普通技術人員來講,在不付出創造性勞動性的前提下,還可以根據這些附圖獲得其他的附圖。

  圖1為實施例1提供的耐腐蝕的绿巨人成人官网的結構示意圖;

  圖2為實施例1提供的閥球的結構示意圖;

  圖3為實施例1提供密封機構的俯視結構示意圖;

  以上各圖中,1、閥殼;2、護杆;3、轉杆;4、矩形塊;5、軸承;6、支撐杆;7、開關裝置;701、閥球;702、輪杆;703、旋轉輪;704、連接槽;8、密封機構;801、連接管;802、密封塊;803、套筒;804、頂杆;805、彈簧;806、卡緊塊;807、輪槽。

  具體實施方式

  為了能夠更清楚地理解本實用新型的上述目的、特征和優點,下麵結合附圖和實施例對本實用新型做進一步說明。需要說明的是,在不衝突的情況下,本申請的實施例及實施例中的特征可以相互組合。

  在下麵的描述中闡述了很多具體細節以便於充分理解本實用新型,但是,本實用新型還可以采用不同於在此描述的其他方式來實施,因此,本實用新型並不限於下麵公開說明書的具體實施例的限製。

  實施例1,如圖1所示,本實用新型提供了一種耐腐蝕的绿巨人成人官网,包括包括閥殼1,閥殼1的頂部穿插設置有護杆2,護杆2的內部穿插設置有轉杆3,轉杆3的底部焊接有矩形塊4,閥殼1內壁的底部焊接有軸承5,軸承5的內部穿插設置有支撐杆6,支撐杆6的頂部貼設有開關裝置7,閥殼1的兩側均穿插設置有密封機構8。

  下麵具體說一下其開關裝置7、密封機構8的具體設置和作用。

  如圖2所示,開關裝置7包括閥球701,閥球701的上開設有與連接管801相匹配的連接孔,閥球701的左上角焊接有輪杆702,輪杆702的頂部焊接有旋轉輪703,閥球701的頂部開設有連接槽704。

  矩形塊4通過連接槽704帶動閥球701進行旋轉,使裝置打開,使溶液流動,閥球701帶動輪杆702進行旋轉,使旋轉輪703進行旋轉,使旋轉輪703離開卡緊塊806。

  如圖2所示,優選的,輪杆702的數目為四個,四個輪杆702相對分布在閥球701的四角,四個輪杆702相背的一側均焊接有旋轉輪703,使閥球701四個拐角處均安裝有旋轉輪703,使閥球701的密封更好。

  其整個的開關裝置7的運動原理和達到的效果為,通過矩形塊4通過連接槽704帶動閥球701進行旋轉,使裝置打開,使溶液流動,閥球701帶動輪杆702進行旋轉,輪杆702的數目為四個,四個輪杆702相對分布在閥球701的四角,四個輪杆702相背的一側均焊接有旋轉輪703,使閥球701四個拐角處均安裝有旋轉輪703,使閥球701的密封更好,使旋轉輪703進行旋轉,使旋轉輪703離開卡緊塊806,使閥球701的密封性更好。

  如圖3所示,密封機構8包括連接管801,連接管801的兩側均貼設有密封塊802,兩個密封塊802相對分布在連接管801的兩側,兩個密封塊802相對的一側均開設有與卡緊塊806相匹配的裝置槽,連接管801的底部貼設有密封塊802,兩個連接管801相對一端的兩側均貼設有密封塊802,密封塊802內壁的底部固定安裝有套筒803,套筒803的內部穿插設置有頂杆804,頂杆804上纏繞設置有彈簧805,頂杆804的頂部貼設有卡緊塊806,卡緊塊806上開設有輪槽807。

  其整個的密封機構8的運動原理和達到的效果為,使旋轉輪703離開卡緊塊806的時候,輪杆702離開輪槽807,使彈簧805帶動卡緊塊806進行複位,使頂杆804在套筒803的內部進行拉伸,卡緊塊806腐蝕的時候,輪槽807同時被腐蝕,在關閉的時候,驅動裝置帶動轉杆3在護杆2的內部進行旋轉,轉杆3帶動矩形塊4進行旋轉,矩形塊4帶動開關裝置7進行旋轉,旋轉矩形塊4通過連接槽704帶動閥球701進行旋轉,閥球701通過輪杆702帶動旋轉輪703旋轉,因為輪槽807被腐蝕,輪槽807變大,旋轉輪703呈傾斜狀,所以旋轉輪703旋轉進輪槽807的內部,使卡緊塊806向下,彈簧805壓縮,使旋轉輪703的頂部與輪槽807的內壁卡緊,使裝置耐腐蝕,防止裝置泄漏。

  驅動裝置帶動轉杆3在護杆2的內部進行旋轉,轉杆3帶動矩形塊4進行旋轉,矩形塊4帶動開關裝置7進行旋轉,開關裝置7通過轉支撐杆6在軸承5的內部進行旋轉,密封機構8卡緊開關裝置7。

  以上所述,僅是本實用新型的較佳實施例而已,並非是對本實用新型作其它形式的限製,任何熟悉本專業的技術人員可能利用上述揭示的技術內容加以變更或改型為等同變化的等效實施例應用於其它領域,但是凡是未脫離本實用新型技術方案內容,依據本實用新型的技術實質對以上實施例所作的任何簡單修改、等同變化與改型,仍屬於本實用新型技術方案的保護範圍。

  技術特征:

  1.一種耐腐蝕的绿巨人成人官网,其特征在於,包括閥殼(1),所述閥殼(1)的頂部穿插設置有護杆(2),所述護杆(2)的內部穿插設置有轉杆(3),所述轉杆(3)的底部焊接有矩形塊(4),所述閥殼(1)內壁的底部焊接有軸承(5),所述軸承(5)的內部穿插設置有支撐杆(6),所述支撐杆(6)的頂部貼設有開關裝置(7);

  所述開關裝置(7)包括閥球(701),所述閥球(701)的左上角焊接有輪杆(702),所述輪杆(702)的頂部焊接有旋轉輪(703),所述閥球(701)的頂部開設有連接槽(704);

  所述閥殼(1)的兩側均穿插設置有密封機構(8);

  所述密封機構(8)包括連接管(801),所述連接管(801)的底部貼設有密封塊(802),所述密封塊(802)內壁的底部固定安裝有套筒(803),所述套筒(803)的內部穿插設置有頂杆(804),所述頂杆(804)上纏繞設置有彈簧(805),所述頂杆(804)的頂部貼設有卡緊塊(806),所述卡緊塊(806)上開設有輪槽(807)。

  2.根據權利要求1所述的一種耐腐蝕的绿巨人成人官网,其特征在於,所述輪杆(702)的數目為四個,四個輪杆(702)相對分布在閥球(701)的四角,四個輪杆(702)相背的一側均焊接有旋轉輪(703)。

  3.根據權利要求1所述的一種耐腐蝕的绿巨人成人官网,其特征在於,所述連接管(801)的兩側均貼設有密封塊(802),兩個密封塊(802)相對分布在連接管(801)的兩側。

  4.根據權利要求3所述的一種耐腐蝕的绿巨人成人官网,其特征在於,兩個密封塊(802)相對的一側均開設有與卡緊塊(806)相匹配的裝置槽。

  5.根據權利要求1所述的一種耐腐蝕的绿巨人成人官网,其特征在於,兩個連接管(801)相對一端的兩側均貼設有密封塊(802)。

  6.根據權利要求5所述的一種耐腐蝕的绿巨人成人官网,其特征在於,所述閥球(701)的上開設有與連接管(801)相匹配的連接孔。

  技術總結

  本實用新型屬於球閥領域,尤其涉及一種耐腐蝕的绿巨人成人官网,包括包括閥殼,閥殼的頂部穿插設置有護杆,護杆的內部穿插設置有轉杆,轉杆的底部焊接有矩形塊,閥殼內壁的底部焊接有軸承,軸承的內部穿插設置有支撐杆,支撐杆的頂部貼設有開關裝置,開關裝置包括閥球,閥球的左上角焊接有輪杆。本實用新型通過該裝置達到自動化進行定量分料,在關閉的時候,矩形塊帶動開關裝置進行旋轉,旋轉矩形塊通過連接槽帶動閥球進行旋轉,閥球通過輪杆帶動旋轉輪旋轉,因為輪槽被腐蝕,輪槽變大,旋轉輪呈傾斜狀,所以旋轉輪旋轉進輪槽的內部,使卡緊塊向下,彈簧壓縮,使旋轉輪的頂部與輪槽的內壁卡緊,使裝置耐腐蝕,防止裝置泄漏。
本文鏈接:http://www.liheextract.com//news/news662.html
上一篇:绿巨人视频官网在线观看安裝注意事項!
下一篇:新型绿巨人成人官网的製作方法

相關文章

绿巨人成人官网的介質要求-2024-12-10
绿巨人成人官网結構-2024-12-03
绿巨人视频官网分類及绿巨人视频官网的負荷試驗要求-2020-05-13
绿巨人成人官网型號-2020-04-08
绿巨人视频官网在线观看的材質介紹_知識大全-2019-12-22
绿巨人视频官网的詳細信息介紹-2019-03-09
绿巨人视频官网在水處理行業中的應用-2017-12-17
绿巨人视频官网氣動绿巨人视频官网附件的選項-2021-12-20
閥門那麽多,關於各種閥門的特點和區別你知道多少?-2025-04-07
防腐設備行業發展分析-2025-03-30
聚四氟乙烯材料的優點-2025-03-20
襯氟截止閥的安裝維護注意事項-2025-03-15
绿巨人成人官网要如何終止密封試驗呢?-2025-03-08
閥門與管路是咋連接的?有多少種連接方式?-2025-02-28
各種閥門特點和區別-2025-02-15
關於绿巨人视频官网

公司簡介

聯係绿巨人视频官网

網 址:http://www.liheextract.com郵 箱:wzszsbz@163.com
公司地址:永嘉縣甌北鎮東甌工業區和一村
© 2019 浙江绿巨人污APP閥業有限公司 版權所有 浙ICP備77188126號
網站地圖